吉林大学学报(工学版) ›› 2025, Vol. 55 ›› Issue (11): 3554-3563.doi: 10.13229/j.cnki.jdxbgxb.20240288

• 车辆工程·机械工程 • 上一篇    

基于显微机器视觉的大尺寸钢球直径精密分组方法

李彦清1(),唐琪1,张悦1,徐畅1(),修航2   

  1. 1.长春理工大学 机电工程学院,长春 130022
    2.长春理工大学 重庆研究院,重庆 401135
  • 收稿日期:2024-03-21 出版日期:2025-11-01 发布日期:2026-02-03
  • 通讯作者: 徐畅 E-mail:liyanqing@cust.edu.cn;2020800042@cust.edu.cn
  • 作者简介:李彦清(1970-),男,教授,博士. 研究方向:现代机械设计理论与方法. E-mail: liyanqing@cust.edu.cn
  • 基金资助:
    吉林省科技厅重点研发项目(20240302047GX);吉林省教育厅科学技术研究项目(JJKH20220736KJ);重庆市自然科学基金项目(CSTB2022NSCQ-MSX1326)

Precision grouping method for the diameter of large-sized bearing steel balls based on micro machine vision

Yan-qing LI1(),Qi TANG1,Yue ZHANG1,Chang XU1(),Hang XIU2   

  1. 1.School of Electromechanical Engineering,Changchun University of Science and Technology,Changchun 130022,China
    2.Chongqing Research Institute,Changchun University of Science and Technology,Chongqing 401135,China
  • Received:2024-03-21 Online:2025-11-01 Published:2026-02-03
  • Contact: Chang XU E-mail:liyanqing@cust.edu.cn;2020800042@cust.edu.cn

摘要:

提出一种基于显微机器视觉的大尺寸轴承钢球直径相对测量与分组方法,该方法通过微变形弹性机构,将钢球直径差转化为狭缝宽度变化值,以同批次中待测钢球作为基准球,将后续钢球与基准球的狭缝宽度差值作为分组依据。采用CMOS相机与同轴显微镜采集狭缝图像,对图像进行灰度化、混合双边滤波、阈值分割等预处理。通过改进Canny算子与Zernike矩亚像素算法提取图像边缘以实现精确定位,采用Ransac法拟合边缘点,同时提出“一点一线法”实现不同图像间的特征定位,在特征区域内完成狭缝宽度计算。利用不同材料搭建5组微变形弹性机构,根据重复性对比结果,选取加硬304弹性板对应机构搭建样机。实验结果表明,本文方法可实现对直径在30~100 mm范围内钢球的测量与分组,检测精度可达0.2 μm,分组后同组钢球直径差≤0.4 μm。

关键词: 大尺寸轴承钢球, 显微机器视觉, 相对测量, 直径分组

Abstract:

A method for relative measurement and grouping the diameter of large-sized bearing steel balls based on micro machine vision is proposed in this article. The method transformation from the difference in diameter of steel balls to the change in slit width is achieved through a micro-deformation elastic mechanism. The steel balls to be tested in the same batch are used as reference balls, and the difference in slit width between subsequent steel balls and reference balls is used as the grouping basis. CMOS cameras and coaxial microscopes are used to capture slit images, and preprocess the images with grayscale, mixed bilateral filtering, and threshold segmentation. Edges in the image are extracted by the improved Canny operator and Zernike moment sub-pixel algorithm to achieve accurate localization, the Ransac method is used to fit edge points, and the "one point, one line method" is proposed to achieve feature localization between different images, completing slit width calculation within the feature area. Five groups of micro-deformation elastic mechanisms are built using different materials, according to the repeatability comparison results, the hardened 304 elastic plate corresponding mechanism was selected to build a prototype. The experiments results show that the method can measure and group steel balls with a diameter of 30~100 mm, and the detection accuracy can reach 0.2 μm. The difference in diameter of steel balls in the same group after grouping is ≤0.4 μm.

Key words: large-sized bearing steel balls, micro machine vision, relative measurement, diameter grouping

中图分类号: 

  • TG806

图1

检测系统硬件实物图"

图2

暗箱实物图"

图3

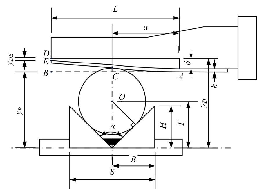
定位测量装置原理示意图"

图4

狭缝图像的原图和灰度图"

图5

滤波效果"

图6

阈值分割效果"

图7

边缘检测效果"

图8

理想阶跃模型"

图9

亚像素边缘检测结果"

图10

边缘拟合效果"

图11

小连通域"

图12

“一点一线法”示意图"

图13

5组微变形弹性机构"

表1

狭缝宽度像素尺寸的极差与变异系数"

序号

标准差

/pixel

均值

/pixel

极差

/pixel

变异系数

/%

1#13.21 940.649.00.68
2#9.02 020.138.00.44
3#9.83 375.033.70.29
4#2.12 948.47.30.073
5#2.22 824.29.70.077

表2

精密钢球验收标准 (μm)"

球等级球形变动量球形误差表面粗糙度
G30.080.080.01
G50.130.130.014

图14

分组区间示意图"

表3

分组结果"

像素尺寸/pixel相互差/pixel实际尺寸/μm组别
1#*2 902.70.00.001
2#2 904.31.60.031
3#2 929.026.30.482
4#2 898.2-4.5-0.081
5#2 911.38.60.161
6#2 923.620.80.381
7#2 933.130.40.552
8#2 894.7-8.0-0.151
9#2 907.44.70.091
10#2 916.613.90.251
[1] 吉悦, 安琦. 考虑滚动体尺寸误差和径向游隙时直线轴承的力学性能分析[J]. 华东理工大学学报: 自然科学版, 2022, 48(1): 120-129.
Ji Yue, An Qi. Mechanical performance analysis of linear bearings considering rolling element size error and radial clearance[J]. Journal of East China University of Science and Technology (Natural Science Edition), 2022, 48(1): 120-129.
[2] 李双成, 陈兴媚. 选择装配法解算装配体尺寸链研究——以分组装配法为例[J]. 新型工业化, 2020, 10(4): 63-65.
Li Shuang-cheng, Chen Xing-mei. Research on solving the dimensional chain of assembly bodies using selective assembly method — taking group assembly method as an example[J]. The Journal of New Industrialization, 2020, 10(4): 63-65.
[3] 汤晓燕, 云忠. 轴承滚珠按直径分组自动分选[J]. 新技术新工艺, 2000, 12: 14-16.
Tang Xiao-yan, Yun Zhong. Automatic sorting of bearing balls by diameter grouping[J]. New Technology & New Process, 2000, 12: 14-16.
[4] 陈月晨, 苑会娟, 詹烨. 基于电感传感器的滚珠分选机设计[J]. 制造业自动化, 2015, 37(4): 142-145.
Chen Yue-chen, Yuan Hui-juan, Zhan Ye. Design of ball sorter based on inductive sensor[J]. Manufacturing Automation, 2015, 37(4): 142-145.
[5] 陈刚. 轴承球直径精密分级装置的研制[D]. 哈尔滨: 哈尔滨工业大学机电工程学院, 2010.
Chen Gang. Research and development of diameter precision grading equipment of bearing ball[D]. Harbin: School of Mechanical and Electrical Engineering, Harbin Institute of Technology, 2010.
[6] 张纪磊, 张勇, 孙江. 基于数字全息技术的钢球在线检测分选装置设计[J]. 新技术新工艺, 2015, 2015(2): 19-22.
Zhang Ji-lei, Zhang Yong, Sun Jiang. Design of an online detection and sorting device for steel balls based on digital holographic technology[J]. New Technology & New Process, 2015, 2015(2): 19-22.
[7] 焦博, 刘国宁, 赵孟轩, 等. 基于机器视觉的亚像素精度法兰盘尺寸测量方法[J]. 现代制造工程, 2022(7): 121-126.
Jiao Bo, Liu Guo-ning, Zhao Meng-xuan, et al. Subpixel precision flange size measurement method based on machine vision[J]. Modern Manufacturing Engineering, 2022(7): 121-126.
[8] 余博, 郭雷, 钱晓亮, 等. 一种新的自适应双边滤波算法[J]. 应用科学学报, 2012, 30(5): 517-523.
Yu Bo, Guo Lei, Qian Xiao-liang, et al. A new adaptive bilateral filtering algorithm[J]. Journal of Applied Science, 2012, 30(5): 517-523.
[9] 石坤泉, 魏文国. 采用双边滤波的冷轧铝板表面缺陷图像去噪方法的研究[J]. 表面技术, 2018, 47(9): 317-323.
Shi Kun-quan, Wei Wen-guo. Research on denoising method for surface defect images of cold-rolled aluminum sheets using bilateral filtering[J]. Surface Technology, 2018, 47(9): 317-323.
[10] 刘克平, 李西卫, 隋吉雷, 等. 基于改进Canny算法的工件边缘检测方法[J]. 广西大学学报: 自然科学版, 2017, 42(6): 2022-2029.
Liu Ke-ping, Li Xi-wei, Sui Ji-lei, et al. A workpiece edge detection method based on improved Canny algorithm[J]. Journal of Guangxi University (Natural Science Edition), 2017, 42(6): 2022-2029.
[11] 刘宇涵, 闫河, 陈早早, 等. 强噪声下自适应Canny算子边缘检测[J]. 光学精密工程, 2022, 30(3): 350-362.
Liu Yu-han, Yan He, Chen Zao-zao, et al. Adaptive Canny operator edge detection under strong noise[J]. Optical Precision Engineering, 2022, 30(3): 350-362.
[12] 潘艳华, 金辉, 刘金国, 等. 基于改进Canny算法的合作靶标边缘检测[J]. 工业仪表与自动化装置, 2023(5): 83-88.
Pan Yan-hua, Jin Hui, Liu Jin-guo, et al. Cooperative target edge detection based on improved Canny algorithm[J]. Industrial Instrumentation & Automation, 2023(5): 83-88.
[13] 王家隆, 郭成安. 一种改进的图像模板细化算法[J]. 中国图象图形学报, 2004(3): 43-47.
Wang Jia-long, Guo Cheng-an. An improved image template refinement algorithm[J]. Chinese Journal of Image and Graphics, 2004(3): 43-47.
[14] 包昊菁, 刘思远, 任真, 等. 基于机器视觉的链轮尺寸测量方法[J]. 吉林大学学报: 工学版, 2023, 53(10): 2795-2806.
Bao Hao-jing, Liu Si-yuan, Ren Zhen, et al. A method for measuring chain wheel dimensions based on machine vision[J]. Journal of Jilin University (Engineering and Technology Edition), 2023, 53(10): 2795-2806.
[15] 刘浩, 任宏, 赵丁选, 等. 基于亚像素定位的图像边缘检测策略研究[J]. 农业机械学报, 2024, 55(2): 242-248.
Liu Hao, Ren Hong, Zhao Ding-xuan, et al. Research on image edge detection strategy based on subpixel localization[J]. Journal of Agricultural Machinery, 2024, 55(2): 242-248.
[16] 吴昊荣, 李晓晓, 孙付春. 基于亚像素精度的汽车冲压件尺寸测量系统设计[J]. 组合机床与自动化加工技术, 2024(3): 44-48.
Wu Hao-rong, Li Xiao-xiao, Sun Fu-chun. Design of automotive stamping part size measurement system based on subpixel precision[J]. Combination Machine Tool and Automation Processing Technology,2024(3): 44-48.
[17] 郝永平, 王永杰, 张嘉易,等. 面向视觉测量的像素当量标定方法[J]. 纳米技术与精密工程, 2014, 12(5): 373-380.
Hao Yong-ping, Wang Yong-jie, Zhang Jia-yi, et al. Pixel equivalent calibration method for visual measurement[J]. Nanotechnology and Precision Engineering, 2014, 12(5): 373-380.
[18] . 滚动轴承球第1部分: 钢球 [S].
[1] 任露泉, 王德辉, 田喜梅, 李建桥. 蚯蚓体表轮廓曲线谱分析及统计模型[J]. 吉林大学学报(工学版), 2009, 39(04): 988-992.
Viewed
Full text


Abstract

Cited

  Shared   
  Discussed   
No Suggested Reading articles found!