Journal of Jilin University(Engineering and Technology Edition) ›› 2025, Vol. 55 ›› Issue (7): 2162-2171.doi: 10.13229/j.cnki.jdxbgxb.20231121

Previous Articles    

Numerical simulation of effect of valve timing on performance of in-cylinder direct-injection hydrogen internal combustion engine

Zhong-shu WANG1(),Di-ya A1,Yao-dong DU1(),Qian LI2,3,Xue-lin TANG2,Wei DENG2,Fang-xi XIE1   

  1. 1.College of Automotive Engineering,Jilin University,Changchun 130022,China
    2.Powertrain R&D Institute,Chongqing Changan Automobile Co. ,Ltd. ,Chongqing 401133,China
    3.College of Mechanical and Vehicle Engineering,Chonqqing University,Chongqing 400030,China
  • Received:2023-10-18 Online:2025-07-01 Published:2025-09-12
  • Contact: Yao-dong DU E-mail:wangzhongshu@jlu.edu.cn;duyd2021@jlu.edu.cn

Abstract:

A one-dimensional GT-POWER model was built with a 1.5 T VVT in-cylinder direct-injection hydrogen internal combustion engine, and the effects of inlet and exhaust valve timing changes on the engine's air exchange process, power performance and economy were studied. When the engine speed is 2 700 r/min, the lean combustion strategy is adopted to keep the pulse width of hydrogen injection consistent under the full-load condition, and the inlet valve timing is advanced and the exhaust valve timing is delayed, the intake mass flow rate is increased, the effective thermal efficiency is increased from 40.8% to 41.07%, and the effective gas consumption is decreased. The engine speed is 5 500 r/min, the excess air coefficient is the same under the full-load condition, the inlet and exhaust valve delay strategy can increase the gas mass in the cylinder, reduce the pump gas loss, increase the power by 12.7% and slightly reduce the break specific gas consumption. The influence of exhaust valve timing on the power performance and economy of in-cylinder direct-injection hydrogen combustion engine is more significant than that of intake valve.

Key words: power engineering and engineering thermophysics, hydrogen internal combustion engine, in-cylinder direct injection, valve timing

CLC Number: 

  • TK431

Table 1

Engine specifications"

发动机参数数值
排量/L1.494
缸径×行程/(mm×mm)73.5×88
型式直列4缸4冲程4气门 水冷
压缩比13∶1
进气型式涡轮增压
最大净功率/kW105
最大净扭矩/(N·m)230

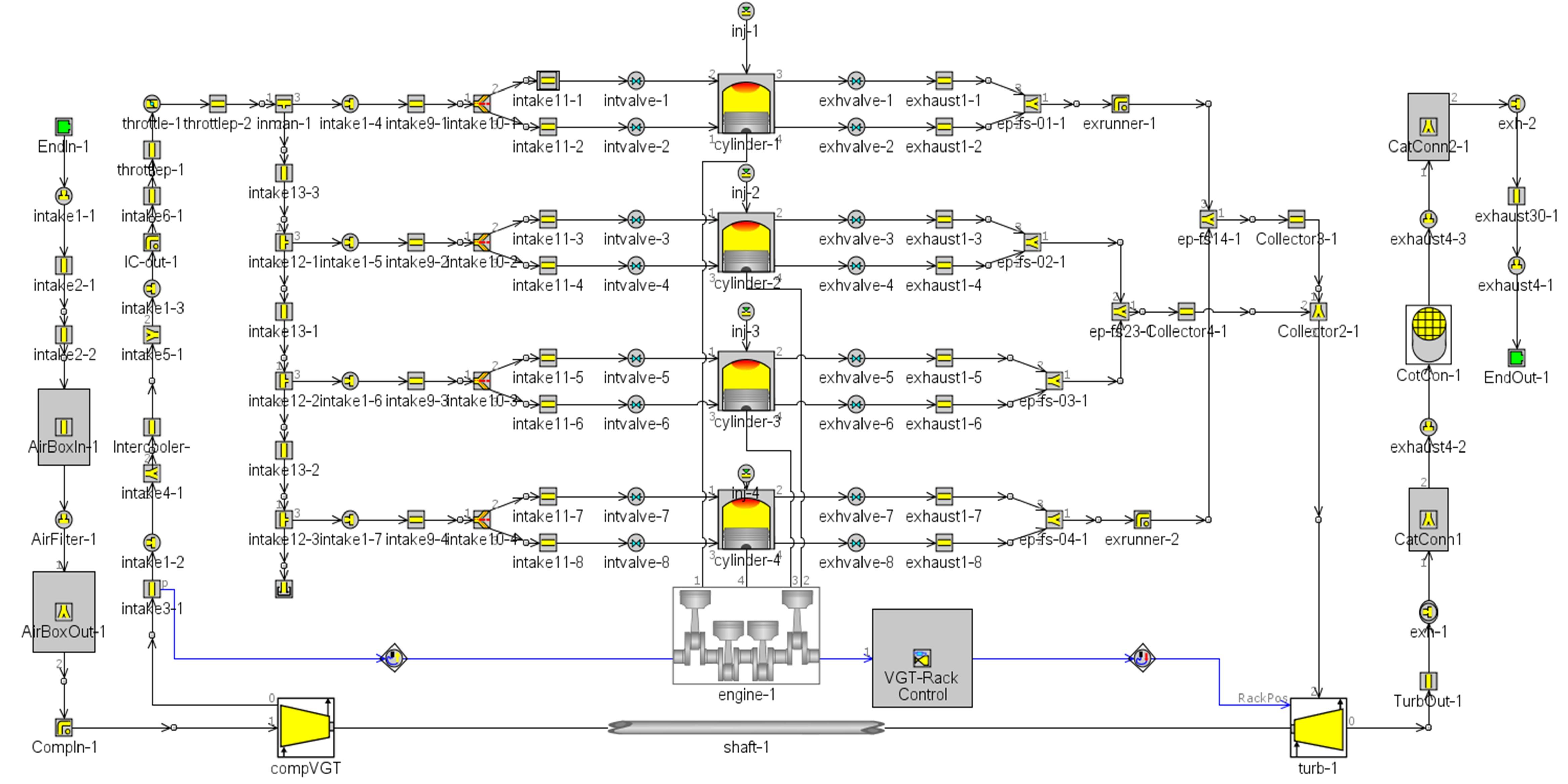
Fig.1

Simulation platform construction"

Fig.2

Model validation"

Fig.3

Valve-lift curve"

Table 2

Modeling scheme"

转速/(r·min-1喷氢脉宽/ms过量空气系数进气门正时/°CA排气门正时/°CA
2 7001.791.72~1.9215,220,225,230,235,240,245118
2 7001.791.48~1.98230103,108,113,118,123,128,133
5 5002.12~2.721.55215,220,225,230,235,240,245118
55 001.88~2.881.55230103,108,113,118,123,128,133

Fig.4

Effect of valve timing on inlet mass flow"

Fig.5

Effect of valve timing on gas quality in cylinder"

Fig.6

Effect of valve overlap angle on coefficient of residual exhaust gas in cylinder"

Fig.7

Effect of valve timing on maximum pressure andmaximum combustion temperature in cylinder"

Fig.8

Effect of valve timing on effective thermalefficiency and BSFC"

Fig.9

Effect of valve timing on excess air coefficient and torque"

Fig.10

Effect of valve timing on inlet mass flow"

Fig.11

Effect of valve timing on gas quality in cylinder"

Fig.12

Effect of valve timing on maximum pressure andmaximum combustion temperature in cylinder"

Fig.13

Effect of valve timing on power performanceand economy"

[1] 孙柏刚, 包凌志, 罗庆贺. 缸内直喷氢燃料内燃机技术发展及趋势[J]. 汽车安全与节能学报, 2021, 12(3):265-278.
Sun Bo-gang, Bao Ling-zhi, Luo Qing-he. Development and trends of direct injection hydrogen internal combustion engine technology[J]. Journal of Automotive Safety and Engergy,2021,12(3):265-278.
[2] Xi W, Sun B G, Luo Q H, et al. Visualization research on hydrogen jet characteristics of an outward-opening injector for direct injection hydrogen engines[J].Fuel,2020,280:No.118710.
[3] 王若平, 余云飞, 洪森. 采用GT-POWER仿真的发动机进气性能优化[J]. 重庆理工大学学报: 自然科学, 2017, 31(10): 1-5.
Wang Ruo-ping, Yu Yun-fei, Hong Sen. Optimization of engine intake performance based on the simulation of GT-POWER[J]. Journal of Chongqing University of Technology (Natural Science), 2017, 31(10): 1-5.
[4] Ji C W, Hong C, Wang S F, et al. Evaluation of the variable valve timing strategy in a direct-injection hydrogen engine with the Miller cycle under lean conditions [J].Fuel, 2023,343: No.127932.
[5] Xin G, Ji C W, Wang S F, et al. Experimental study of the effect of variable valve timing on hydrogen-enriched ammonia engine[J]. Fuel, 2023, 344: No.128131.
[6] Luo Q H, Sun B G. Effect of the Miller cycle on the performance of turbocharged hydrogen internal combustion engines[J].Energy Conversion and Management, 2016, 123: 209-217.
[7] Wang Y J, Long W Q, Dong P B. Numerical investigation on combustion regulation for a stoichiometric heavy-duty natural gas engine with hydrogen addition considering knock limitation[J].International Journal of Hydrogen Energy,2023,48:18498-18513.
[8] Hong C, Ji C W, Wang S F, et al. Progressive strategies to avoid and exploit knock limit for optimal performance and stoichiometric operation of a DI hydrogen engine with high CR at WOT conditions[J].Fuel,2024,357: No.1298949.
[9] Tavakoli S, Jazayeri S A, Fathi M, et al. Miller cycle application to improve lean burn gas engine performance[J]. Energy, 2016, 109: 190-200.
[10] Shu J, Fu J Q, Zhao D. Numerical investigation on the effects of valve timing on in-cylinder flow, combustion and emission performance of a diesel ignition natural gas engine through computational fluid dynamics[J].Energy Conversion and Management,2019,198:No.111786.
[11] Patychuk B, Ning W, McTaggart-Cowan G, et al. Intake and exhaust valve timing control on a heavy-duty direct-injection natural gas engine[J].SAE Technical Papers,2015, 1: No.0864.
[1] Zi-rong YANG,Yan LI,Xue-feng JI,Fang LIU,Dong HAO. Sensitivity analysis of operating parameters for proton exchange membrane fuel cells [J]. Journal of Jilin University(Engineering and Technology Edition), 2022, 52(9): 1971-1981.
[2] CHENG Peng,LI Hua,WANG You-kun,CHI Jun-cheng, LI Guo,GUO Ying-nan, ZHUANG Yu-hua. Test on valve timing region to realize gasoline controlled autoignition combustion
under the strategy of exhaust gas recirculation in exhaust port
[J]. 吉林大学学报(工学版), 2011, 41(4): 932-937.
Viewed
Full text


Abstract

Cited

  Shared   
  Discussed   
No Suggested Reading articles found!