吉林大学学报(工学版) ›› 2025, Vol. 55 ›› Issue (1): 230-244.doi: 10.13229/j.cnki.jdxbgxb.20230255

• 交通运输工程·土木工程 • 上一篇    

受火双钢板-混凝土组合剪力墙加固后抗震性能试验

韦芳芳(),李丽萍,徐庆鹏,赵有正,杨晶晶   

  1. 河海大学 土木与交通学院,南京 210098
  • 收稿日期:2023-03-22 出版日期:2025-01-01 发布日期:2025-03-28
  • 作者简介:韦芳芳(1978-),女,副教授,博士. 研究方向:钢-混组合结构. E-mail: ffwei@hhu.edu.cn
  • 基金资助:
    国家自然科学基金项目(51608168)

Experiment on seismic behavior of fire-fired composite shear wall with double steel plates and infill concrete after reinforcement

Fang-fang WEI(),Li-ping LI,Qing-peng XU,You-zheng ZHAO,Jing-jing YANG   

  1. College of Civil and Transportation Engineering,Hohai University,Nanjing 210098,China
  • Received:2023-03-22 Online:2025-01-01 Published:2025-03-28

摘要:

为研究受火双钢板-混凝土组合剪力墙加固后的抗震性能,首先,本文进行了1片常温和3片高温后组合剪力墙试件(其中两片组合剪力墙火灾后加固)的拟静力试验,对试件的破坏形态、滞回曲线、骨架曲线、耗能能力、刚度退化等进行分析;然后,基于试验结果,通过有限元软件ABAQUS建立有限元模型;最后,对组合剪力墙进行参数化分析。结果表明:试件拟静力试验的破坏形式均为压弯破坏,极限位移角在1/63~1/45,满足框架-核心筒结构转角的要求;位移延性系数在2.18~3.1,说明组合剪力墙抗震性能良好;有限元模拟结果与试验结果吻合较好,说明本文模型合理可靠;对火灾时间、试件轴压比及截面配钢率的参数化分析表明试件的极限抗侧承载力会随着轴压比的增大而降低,在火灾作用下,轴压比对承载力的退化影响会显著放大,增大截面配钢率可以显著提高试件的抗侧刚度及抗剪承载力;对加固位置、加固钢板厚度的参数化分析表明,由于受火侧钢板火灾后强度退化程度最高,因此,必须对受火侧进行加固。

关键词: 结构工程, 双钢板-混凝土组合剪力墙, 粘钢加固, 拟静力试验, 抗震性能

Abstract:

To study the seismic behavior of fire-fired composite shear wall with double steel plates and infill concrete after reinforcement, firstly, 1 piece of composite sheer wall of room temperature and 3 pieces of composite sheer wall of high temperature (two of the combined shear walls were reinforced after fire) were tested under quasi-static loading, and the failure form, hysteresis curve, skeleton curve, energy dissipation and stiffness degradation of the specimen were evaluated. Then, based on the test results, the finite element models were established by the finite element software ABAQUS. At last, the composite shear wall was parametrically analyzed. The results show that the failure mode of the specimens are all bending failure, the limit displacement angle is between 1/63 and 1/45, which meets the requirements of the angle of the frame-core tube structure, and the displacement ductility coefficient is between 2.18 and 3.1, indicating that the composite shear wall has good seismic performance. The finite element simulation results were reasonable and reliable. Parametric analysis shows that the ultimate lateral bearing capacity of the specimen decreases with the increase of the axial compression ratio, the degradation effect of axial pressure ratio on bearing capacity will be significantly amplified under the action of fire, and increasing the cross-sectional steel matching ratio can significantly improve the lateral stiffness and shear bearing capacity of the specimen. Since the steel plate on the fire side has the highest degree of strength degradation after a fire, the fire side must be reinforced.

Key words: structural engineering, composite shear wall with double steel plates and infill concrete, bonded steel reinforcement, quasi-static test, seismic performance

中图分类号: 

  • TU398

表1

试件基本参数"

试件编号

墙体尺寸

Ww×T×t/mm

端柱尺寸

Wc×Bc×tc/mm

试件高度H/mm试验轴压比n

轴压力

/kN

火灾时间/min

混凝土立方体

抗压强度fcu

加固方式
N4T0600×90×3120×100×3.510500.4949045.0 MPa/
N4T2600×90×3120×100×3.510500.49492039.2 MPa/
N4T4S600×90×3120×100×3.510500.49494039.2 MPa粘钢加固
N4T6S600×90×3120×100×3.510500.49496045.0 MPa粘钢加固

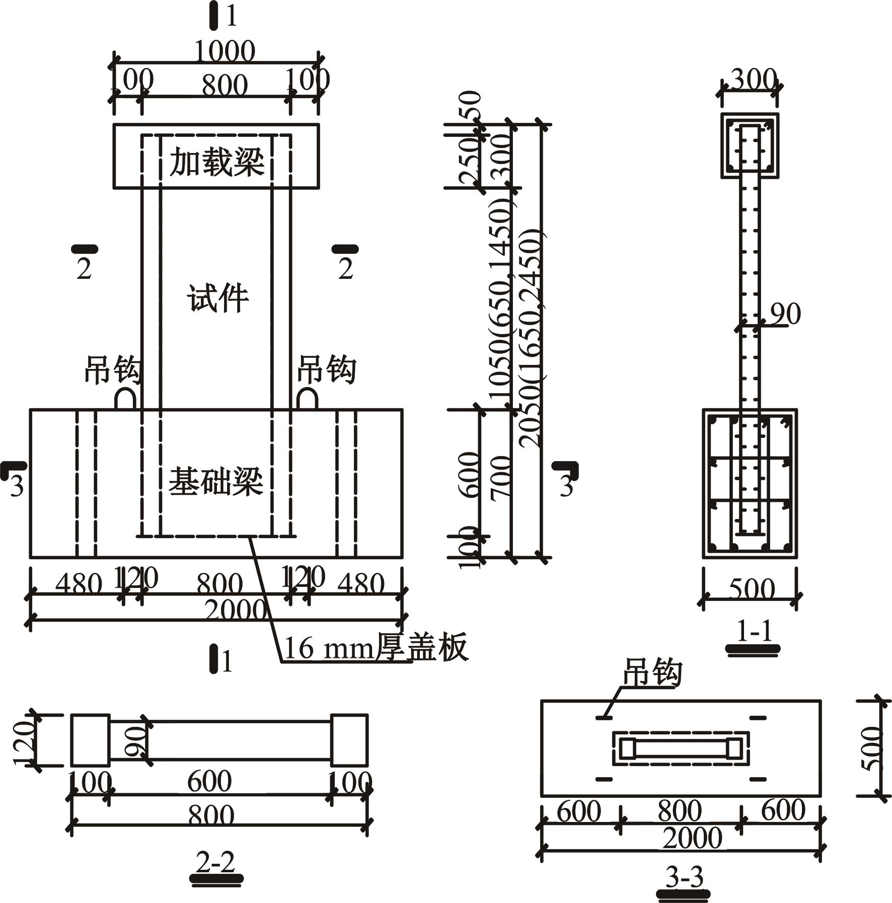
图1

试件几何尺寸及构造"

表2

C40混凝土配合比 (kg/m3)"

C32.5

硅酸盐水泥

粉煤灰中砂

4~16 mm

粒径碎石

聚羧酸减水剂
1883799567910603.85

表3

钢材力学性能"

材料类型

直径(厚度)

/mm

屈服强度

/MPa

极限强度

fst/MPa

钢筋10527.2637.3
20508.3625.1
栓钉6.0400.0500.0
钢板3.0238.1385.2
钢管3.5353.2466.9

图2

受火面破坏情况"

图3

试件加固过程"

图4

试验加载装置"

图5

最终破坏形态"

图6

各试件的滞回曲线和骨架曲线"

表4

各试件主要性能指标"

试件编号加载方向

屈服位移

Δy/mm

极限状态破坏状态

位移延性

Δu/Δy

Δmax/mmPmax/kNΔu/mmPu/kNθu/mm
N4T0+11.7223.28992.525.54843.61/472.18
-12.1123.71085.426.41922.61/452.18
N4T2+9.6815.68987.122.56839.01/512.33
-12.1918.891109.222.04942.81/481.81
N4T4S+9.6917.96909.820.66773.31/592.13
-10.4517.93957.020.97813.41/582.01
N4T6S+7.8313.21857.419.82728.81/472.53
-8.5913.6908.522.15772.21/452.58

图7

刚度退化曲线"

图8

等效黏滞阻尼系数-位移曲线"

图9

混凝土CDP模型"

图10

混合强化模型"

图11

最终破坏形态对比"

图12

骨架曲线对比图"

表5

火灾后模型参数"

研究参数取值固定参数取值

火灾时间

th /min

0, 30,60, 90,120, 150钢板屈服强度 fy /MPa345

轴压力Nn

/kN

0, 0.2,0.3,0.4,0.5连接件屈服强度 fy /MPa400
t(截面配钢率)/mm3 mm(6.9%), 4 mm(8.8%), 5 mm(11.0%)混凝土 fcu /MPa40

图13

不同火灾时间下的试件有限元模型荷载-位移曲线图"

图14

不同轴压比下的试件有限元模型荷载-位移曲线图"

图15

不同轴压比下试件有限元模型抗侧刚度-位移图"

图16

不同截面配钢率下试件有限元模型抗侧刚度-位移图"

图17

不同截面配钢率下试件有限元模型荷载-位移曲线图"

图18

加固位置对承载力恢复的影响"

图19

加固钢板厚度对承载力恢复系数k的影响"

1 范重, 刘学林, 黄彦军. 超高层建筑剪力墙设计与研究的最新进展[J]. 建筑结构, 2011, 41(4):33-43.
Fan Zhong, Liu Xue-lin, Huang Yan-jun. The up to date development on design and research of shear wall in high-rise buildings[J]. Building Structure, 2011, 41(4):33-43.
2 姜封国,赵景鲁.受火后钢筋混凝土构件的可靠性[J].吉林大学学报:工学版,2013,43(6):1500-1503.
Jiang Feng-guo, Zhao Jing-lu. Reliability analysis of reinforced concrete member under fire load[J]. Journal of Jilin University(Engineering and Technology Edition), 2013, 41(4): 33-43.
3 Eom T S, Park H G, Lee C H, et al. Behavior of double skin composite wall subjected to in-plane cyclic loading[J]. Journal of Structural Engineering, 2009, 135(10): 1239-1249.
4 聂建国,卜凡民,樊健生.低剪跨比双钢板-混凝土组合剪力墙抗震性能试验研究[J]. 建筑结构学报, 2011, 32(11): 74-81.
Nie Jian-guo, Bu Fan-min, Fan Jian-sheng. Experimental research on seismic behavior of low shear-span ratio composite shear wall with double steel plates and infill concrete[J]. Journal of Building Structures, 2011,32(11):74-81.
5 聂建国,卜凡民,樊健生.高轴压比、低剪跨比双钢板-混凝土组合剪力墙拟静力试验研究[J]. 工程力学, 2013, 30(6): 60-66, 76.
Nie Jian-guo, Bu Fan-min, Fan Jian-sheng. Quasi-static test on low shear-span ratio composite shear wall with double steel plates and infill concrete under high axial compression ratio[J]. Engineering Mechanics, 2013, 30(6): 60-66, 76.
6 卜凡民,聂建国,樊健生.高轴压比下中高剪跨比双钢板-混凝土组合剪力墙抗震性能试验研究[J]. 建筑结构学报, 2013, 34(4): 91-98.
Bu Fan-min, Nie Jian-guo, Fan Jian-sheng. Experimental study on seismic behavior of medium and high shear-span ratio composite shear wall with double steel plates and infill concrete under high axial compression ratio[J]. Journal of Building Structures, 2013, 34(4): 91-98.
7 Zhang X M, Qin Y, Chen Z H, et al. Experimental behavior of innovative T-shaped composite shear walls under in-plane cyclic loading[J]. Journal of Constructional Steel Research,2016,120(120): 143-159.
8 武晓东,童乐为.带方钢管混凝土端柱隔板连接双钢板-混凝土组合剪力墙抗震性能试验研究[J]. 建筑结构学报, 2019,40(12):41-50.
Wu Xiao-dong, Tong Le-wei. Experimental study on seismic behavior of steel-concrete-steel composite shear walls with CFST boundary columns and partitioning steel plates[J]. Journal of Building Structures, 2019,40(12):41-50.
9 丁东升. 钢板-混凝土组合剪力墙耐火性能及火灾后抗震性能研究[D]. 广州: 华南理工大学土木与交通学院, 2015.
Ding Dong-sheng. Study on fire-resistance and post-fire seismic behavior of steel plate-concrete composite shear wall[D]. Guangzhou: School of Civil Engineering and Transportation, South China University of Technology, 2015.
10 沈鹏程. 常温下及高温后外包钢板混凝土组合剪力墙抗震性能试验及有限元分析[D]. 广州: 华南理工大学土木与交通学院, 2017.
Shen Peng-cheng. Experimental studies and finite element analysis on seismic behaviors of concrete-filled steel plate at ambient temperature and after exposure to high temperature[D]. Guangzhou: School of Civil Engineering and Transportation, South China University of Technology, 2017.
11 肖飒. 玄武岩纤维布加固火灾后钢筋混凝土剪力墙抗震性能试验研究[D]. 郑州: 华北水利水电大学土木与交通学院, 2016.
Xiao Sa. Experimental research on seismic performance of heat-damaged reinforced concrete shear walls strengthened with BFRP[D]. Zhengzhou: School of Civil Engineering and Transportation, North China University of Water Resources and Electric Power,2016.
12 王雁楠. 受火钢筋混凝土剪力墙加固后的抗震性能研究[D]. 南京: 东南大学土木工程学院, 2015.
Wang Yan-nan. Study on the seismic behavior of the strengthened concrete shear wall after fire[D]. Nanjing: School of Civil Engineering, Southeast University, 2015.
13 . 建筑抗震试验规程 [S].
14 . 普通混凝土配合比设计规程 [S].
15 . 普通混凝土拌合物性能试验方法标准 [S].
16 . 金属材料 拉伸试验 第1部分:室温试验方法 [S].
17 . 钢及钢产品 力学性能试验取样位置及试样制备 [S].
18 13G 311—1. 混凝土结构加固构造 [S].
19 . 组合结构设计规范 [S].
20 . 建筑抗震设计规范 [S].
21 Yan C W, Jia J Q, Zhang J. Seismic behavior of steel reinforced ultra high strength concrete column and reinforced concrete beam connection[J]. Transactions of Tianjin University,2010,16(4): 309-316.
22 Lie T T, Irwin R J. Fire resistance of rectangular steel columns filled with bar-reinforced concrete[J]. Journal of Structural Engineering, 1995, 121(5): 797-805.
23 European Committee for Standardization. Design of composite steel and concrete structures part 1,2: general rules-structural fire design [S].
24 T/ . 火灾后工程结构鉴定标准[S].
25 Lu H, Zhao X L, Han L H. Testing of self-consolidating concrete-filled double skin tubular stub columns exposed to fire[J]. Journal of Constructional Steel Research, 2010, 66(8, 9): 1069-1080.
26 Alfarah B, López-Almansa F, Oller S. New methodology for calculating damage variables evolution in plastic damage model for rc structures[J]. Engineering Structures, 2017, 132: 70-86.
27 Krätzig W B, Pölling R. An elasto-plastic damage model for reinforced concrete with minimum number of material parameters[J]. Computers and Structures,2004,82(15): 1201-1215.
28 徐贵良. 带内隔板矩形钢管混凝土巨柱轴压承载特性研究[D]. 南京: 东南大学土木工程学院,2018.
Xu Gui-liang. Research on ultimate bearing capability of super rectangular concrete-filled steel tubular columns with stiffening plate subjected to axial compression[D]. Nanjing: School of Civil Engineering, Southeast University, 2018.
29 Gopalaratnam V S, Shah S P. Softening response of plain concrete in direct tension[J]. Journal Proceedings,1985,82(3): No.10338.
30 Bao Y B, Wierzbicki T. A comparative study on various ductile crack formation criteria[J]. Journal of Engineering Materials and Technology,2004,126(3): 314-324.
31 林诚发. 设缝双钢板-混凝土组合剪力墙抗震性能研究[D]. 广州: 华南理工大学土木与交通学院, 2018.
Lin Cheng-fa. Research on seismic behavior of double steel composite shear wall with gaps[D]. Guangzhou: School of Civil Engineering and Transportation, South China University of Technology, 2018.
32 Ko H, Matthys S, Palmieri A, et al. Development of a simplified bond stress-slip model for bonded FRP-concrete interfaces[J]. Construction and Building Materials, 2014, 68: 142-157.
[1] 姜浩,赵正文. 玄武岩纤维网格水泥基复合材料加固RC梁抗剪性能试验[J]. 吉林大学学报(工学版), 2025, 55(1): 211-220.
[2] 赵金全,周龙,丁永刚,朱熔基. 螺旋箍筋-波纹管浆锚连接锚固性能试验[J]. 吉林大学学报(工学版), 2024, 54(9): 2484-2494.
[3] 杨伟松,张安,许卫晓,李海生,杜轲. 刚度增强型金属连梁阻尼器的抗震性能[J]. 吉林大学学报(工学版), 2024, 54(9): 2469-2483.
[4] 阎奇武,邹忠亮. 减震结构阻尼器优化布置混合算法[J]. 吉林大学学报(工学版), 2024, 54(8): 2267-2274.
[5] 姜封国,周玉明,白丽丽,梁爽. 改进磷虾群算法及其在结构优化中的应用[J]. 吉林大学学报(工学版), 2024, 54(8): 2256-2266.
[6] 张广泰,周乘孝,刘诗拓. 盐渍土环境下纤维锂渣混凝土柱恢复力模型[J]. 吉林大学学报(工学版), 2024, 54(7): 1944-1957.
[7] 秦拥军,陈奇,张驰,王建虎. 含起波钢筋预制梁柱节点抗震性能试验[J]. 吉林大学学报(工学版), 2024, 54(6): 1677-1687.
[8] 何华飞,李兆平,符瑞安,马绍麟,黄明利. 考虑地层约束效应的预制侧墙节点抗震性能试验[J]. 吉林大学学报(工学版), 2024, 54(6): 1601-1611.
[9] 刁延松,任义建,杨元强,赵凌云,刘秀丽,刘芸. 带有摩擦耗能组件的可更换钢梁柱拼接节点抗震性能试验[J]. 吉林大学学报(工学版), 2024, 54(6): 1643-1656.
[10] 樊学平,刘月飞. 基于改进高斯混合粒子滤波新算法的桥梁极值应力动态预测[J]. 吉林大学学报(工学版), 2024, 54(4): 1038-1044.
[11] 刘一凡,缪志伟,申晨,耿祥东. 基于蒙特卡罗法的不均匀锈蚀钢筋力学性能评估[J]. 吉林大学学报(工学版), 2024, 54(4): 1007-1015.
[12] 樊学平,周衡,刘月飞. 基于Gaussian Copula-贝叶斯动态模型的桥梁构件时变可靠性分析[J]. 吉林大学学报(工学版), 2024, 54(2): 485-493.
[13] 杨海旭,郭悦,王海飙,胡宜. 冷弯薄壁型钢-胶合木组合梁受弯性能[J]. 吉林大学学报(工学版), 2024, 54(12): 3513-3525.
[14] 孙敏,朱远恒,高鹏真,李振东,方有珍. 多降雨环境下锈蚀钢筋混凝土柱装配节点抗震性监测[J]. 吉林大学学报(工学版), 2024, 54(12): 3545-3551.
[15] 范亮,徐英铭,谭阳. 集束群钉式装配组合梁界面滑移计算[J]. 吉林大学学报(工学版), 2023, 53(9): 2533-2541.
Viewed
Full text


Abstract

Cited

  Shared   
  Discussed   
No Suggested Reading articles found!