Journal of Jilin University(Engineering and Technology Edition) ›› 2025, Vol. 55 ›› Issue (6): 1873-1882.doi: 10.13229/j.cnki.jdxbgxb.20230926

Previous Articles     Next Articles

Fuzzy energy management strategy of fuel cell electric vehicle based on improved pigeon⁃inspired optimization

Chun XIAO1,2(),Zi-chun YI1,2,Bing-yin ZHOU3,Shao-rui ZHANG1,2   

  1. 1.School of Automation,Wuhan University of Technology,Wuhan 430070,China
    2.National Energy Key Laboratory for New Hydrogen-Ammonia Energy Technologies,Foshan Xianhu Laboratory,Foshan 528200,China
    3.Xi'an BYD Semiconductor Co. ,Ltd. ,Xi'an 710061,China
  • Received:2023-09-01 Online:2025-06-01 Published:2025-07-23

Abstract:

A composite fuzzy energy management strategy was proposed with the goal of improving the lifespan of auxiliary energy source power batteries. The improved pigeon swarm optimization algorithm (IPIO) was used to update the fuzzy membership function, while ensuring that the power battery operates in a suitable range for a long time and reducing equivalent hydrogen consumption. The existing ADVISOR model was developed to establish a simulation model for the FCEV hybrid power system, and was conducted simulation experiments under two operating conditions: NEDC and CLTC-P. The results show that the charging speed of the IPIO-enhanced energy management strategy is more than twice as fast as the power-following strategy when the initial State of Charge (SoC) is low, enabling a faster transition to the optimal SoC range and prolonging battery lifespan. When the initial SoC is high, the equivalent hydrogen consumption of the IPIO-enhanced composite fuzzy energy management strategy is reduced by 11.8% and 9.09% compared with before under two driving cycles, significantly reducing hydrogen consumption and enhancing the economy of hydrogen fuel cell vehicles.

Key words: vehicle engineering, fuel cell electric vehicles, energy management strategy, fuzzy logic, pigeon-inspired optimization

CLC Number: 

  • U461.8

Fig.1

Structure of fuzzy controller"

Table 1

Fuzzy rules table"

PfcPm
ZOPSSMBPB
SoCPLMMBPBPBPB
LSSBBBPB
SLSSMMBB
MPSPSSSMB
SHOFFOFFOFFPSSM
HOFFOFFOFFOFFOFFOFF

Table 2

IF-THEN rule table of subfuzzy controller"

序号规则
1If ΔSoC is PS,then α2 is PB
2If ΔSoC is S,then α2 is PB
3If ΔSoC is M,then α2 is B
4If ΔSoC is B,then α2 is M
5If ΔSoC is PB,then α2 is S

Fig.2

Flow chart of IPIO algorithm"

Fig.3

Optimization parameters in membership function"

Fig.4

Flow chart of IPIO improved fuzzy energy management strategy simulation"

Fig.5

Simulation structure of FCEV's hybrid power system"

Table 3

Basic parameters of FCEV hybrid system"

名称整车参数数值
整车部分整车质量/kg1 472
迎风面积/m21.95
车轮半径/m0.3
传动系机械效率ηr0.96
空气阻力系数CD0.63
燃料电池峰值功率/kW45
单体电压/V0.7~0.75
数量280
额定工作电压/V100~200
工作温度/℃80
锂电池电池组峰值功率/kW35
单体额定容量/Ah48
单体额定电压/V3.25
最大充/放电倍率/C1/2
串联/并联数100/1
永磁同步电机额定功率/kW75
额定转速/(r·min-12 750

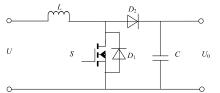
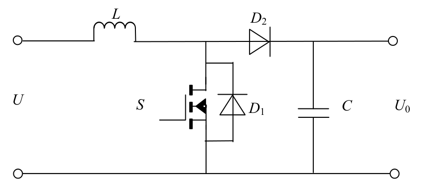
Fig.6

Boost DC/DC converter equivalent circuit diagram"

Fig.7

Boost DC/DC converter efficiency diagram"

Fig.8

Power allocation diagram of different EMS under NEDC conditions with an initial SoC of 0.4"

Fig.9

Variation of SoC under two conditions for different EMS with an initial SoC of 0.4"

Fig.10

Variation of equivalent hydrogen consumption under two conditions for different EMS with an initial SoC of 0.4"

Fig.11

Variation of SoC under two conditions for different EMS with an initial SoC of 0.7"

Table 4

Comparison of hydrogen consumption under different energy management strategies"

工况EMS等效氢耗量/g
SoC=0.4SoC=0.7
NEDC功率跟随162.784150.049
复合模糊177.504137.721
IPIO改进170.984121.473
CLTC-P功率跟随221.255183.960
复合模糊242.977191.247
IPIO改进226.663173.871
[1] 崔鹏飞, 沈英, 赵剀烨. 基于模糊控制的燃料电池汽车动力源能量管理[J]. 机械制造与自动化, 2020, 49(4): 177-179, 187.
Cui Peng-fei, Shen Ying, Zhao Kai-ye. Energy management of fuel cell vehicle power source based on fuzzy control[J]. Machine Building & Automation, 2020, 49(4): 177-179, 187.
[2] 严陈希, 耿文冉, 黄明宇, 等. 基于工况识别的混合动力汽车能量管理策略[J]. 机械设计与制造, 2022, 373(3): 24-29.
Yan Chen-xi, Geng Wen-ran, Huang Ming-yu, et al. Energy management strategy for hybrid electric vehicles based on condition recognition[J]. Machinery Design & Manufacture, 2022, 373(3): 24-29.
[3] Song K, Li F Q, Hu X, et al. Multi-mode energy management strategy for fuel cell electric vehicles based on driving pattern identification using learning vector quantization neural network algorithm[J]. Journal of Power Sources, 2018, 389: 230-239.
[4] Liu Y G, Liu J J, Zhang Y J, et al. Rule learning based energy management strategy of fuel cell hybrid vehicles considering multi-objective optimization[J]. Energy, 2020, 207: No.118212.
[5] Wang Y, Sun Z, Chen Z. Energy management strategy for battery/supercapacitor/fuel cell hybrid source vehicles based on finite state machine[J]. Applied energy, 2019, 254: No.113707.
[6] Zhang Q, Fu X L. A neural network fuzzy energy management strategy for hybrid electric vehicles based on driving cycle recognition[J]. Applied Sciences, 2020, 10(2): No.696.
[7] 张宇. 基于模糊规则学习的燃料电池混合动力汽车能量管理策略[D]. 长春: 吉林大学通信工程学院, 2021.
Zhang Yu. Energy management strategy for fuel cell hybrid electric vehicles based on fuzzy rule learning [D]. Changchun: College of Communication Engineering, Jilin University, 2021.
[8] 周健豪, 顾诚, 刘军, 等. 基于IGWO的燃料电池汽车模糊控制能量管理策略[J]. 重庆理工大学学报: 自然科学, 2021, 35(5): 33-41.
Zhou Jian-hao, Gu Cheng, Liu Jun, et al. Fuzzy control energy management strategy for fuel cell vehicles based on IGWO[J]. Journal of Chongqing University of Technology(Natural Science), 2021, 35(5): 33-41.
[9] Hu X, Liu S K, Song K, et al. Novel fuzzy control energy management strategy for fuel cell hybrid electric vehicles considering state of health[J]. Energies, 2021, 14(20): No.6481.
[10] Zhou S Y, Chen Z Q, Huang D Y,et al. Model prediction and rule based energy management strategy for a plug-in hybrid electric vehicle with hybrid energy storage system[J]. IEEE Transactions on Power Electronics, 2020, 36(5): 5926-5940.
[11] 霍梦真, 段海滨. 基于自适应变异的多目标鸽群优化的无人机目标搜索[J]. 控制理论与应用, 2020, 37(3): 584-591.
Huo Meng-zhen, Duan Hai-bin. Unmanned aerial vehicle target search based on adaptive mutation for multi-objective pigeon swarm optimization[J]. Control Theory and Applications, 2020, 37(3): 584-591.
[12] 夏小刚, 罗建婷, 王欣. 模糊变异算子的改进鸽群优化算法[J]. 河南科技大学学报: 自然科学版, 2022, 43(3): 39-44.
Xia Xiao-gang, Luo Jian-ting, Wang Xin.Improved pigeon-inspired optimization algorithm of fuzzy variation operator[J].Journal of Henan University of Science and Technology(Natural Science), 2022, 43(3): 39-44.
[1] Xue-wei SONG,Ze-ping YU,Yang XIAO,De-ping WANG,Quan YUAN,Xin-zhuo LI,Jia-wen ZHENG. Research progress on the performance changes of lithium⁃ion batteries after aging [J]. Journal of Jilin University(Engineering and Technology Edition), 2025, 55(6): 1817-1833.
[2] Mei-xia JIA,Jian-jun HU,Feng XIAO. Multi⁃physics simulation method of vehicle motor under varying working conditions based on multi⁃software combination [J]. Journal of Jilin University(Engineering and Technology Edition), 2025, 55(6): 1862-1872.
[3] Wei-dong LI,Cao-yuan MA,Hao SHI,Heng CAO. An automatic driving decision control algorithm based on hierarchical reinforcement learning [J]. Journal of Jilin University(Engineering and Technology Edition), 2025, 55(5): 1798-1805.
[4] Dang LU,Yan-ru SUO,Yu-hang SUN,Hai-dong WU. Estimation of tire camber and sideslip combined mechanical characteristics based on dimensionless expression [J]. Journal of Jilin University(Engineering and Technology Edition), 2025, 55(5): 1516-1524.
[5] Tao ZHANG,Huang-da LIN,Zhong-jun YU. Real-time rolling optimization control method for gearshift of hybrid electric vehicles [J]. Journal of Jilin University(Engineering and Technology Edition), 2025, 55(4): 1215-1224.
[6] Zhen-hai GAO,Cheng-yuan ZHENG,Rui ZHAO. Review of active safety verification and validation for autonomous vehicles in real and virtual scenarios [J]. Journal of Jilin University(Engineering and Technology Edition), 2025, 55(4): 1142-1162.
[7] Dang LU,Xiao-fan WANG,Hai-dong WU. Analysis of uniform distribution characteristics of contact pressure of TWEEL tires [J]. Journal of Jilin University(Engineering and Technology Edition), 2025, 55(3): 811-819.
[8] Jun-long QU,Wen-ku SHI,Sheng-yi XUAN,Zhi-yong CHEN. Parameter design method of multiple dynamic vibration absorbers for suppressing multi-frequency resonance of automotive powertrain [J]. Journal of Jilin University(Engineering and Technology Edition), 2025, 55(2): 444-455.
[9] Xin CHEN,Xiang-yuan ZHANG,Zi-tao WU,Gui-shen YU,Li-fei YANG. Effect of process sequence on tensile shear properties of PFSSW joints for automotive aluminum sheets [J]. Journal of Jilin University(Engineering and Technology Edition), 2025, 55(2): 468-475.
[10] Hong-yu HU,Zheng-guang ZHANG,You QU,Mu-yu CAI,Fei GAO,Zhen-hai GAO. Driver behavior recognition method based on dual-branch and deformable convolutional neural networks [J]. Journal of Jilin University(Engineering and Technology Edition), 2025, 55(1): 93-104.
[11] Jun-nian WANG,Yu-jing CAO,Zhi-ren LUO,Kai-xuan LI,Wen-bo ZHAO,Ying-yi MENG. Online detection algorithm of road water depth based on binocular vision [J]. Journal of Jilin University(Engineering and Technology Edition), 2025, 55(1): 175-184.
[12] Cao TAN,Hao-xin REN,Wen-qing GE,Ya-dong SONG,Jia-yu LU. Improved active disturbance rejection control for hydraulic vibration stages based on the direct-drive valve [J]. Journal of Jilin University(Engineering and Technology Edition), 2025, 55(1): 84-92.
[13] Shou-tao LI,Lu YANG,Ru-yi QU,Peng-peng SUN,Ding-li YU. Slip rate control method based on model predictive control [J]. Journal of Jilin University(Engineering and Technology Edition), 2024, 54(9): 2687-2696.
[14] Liang WU,Yi-fan GU,Biao XING,Fang-wu MA,Li-wei NI,Wei-wei JIA. Steering four-wheel distributed integrated control method based on LQR [J]. Journal of Jilin University(Engineering and Technology Edition), 2024, 54(9): 2414-2422.
[15] Yu-hai WANG,Xiao-zhi LI,Xing-kun LI. Predictive energy saving algorithm for hybrid electric truck under high-speed condition [J]. Journal of Jilin University(Engineering and Technology Edition), 2024, 54(8): 2121-2129.
Viewed
Full text


Abstract

Cited

  Shared   
  Discussed   
[1] Wang Zhan-shan, Zhang Hua-guang, Li Shu-xia. Global asymptotic stability of cellular neural networks with multiple time-varying delays[J]. 吉林大学学报(工学版), 2006, 36(04): 564 -568 .
[2] Niu Liyuan, Li Guangyu, Jiang Zhonghao, Sun Liping, Han Dong, Lian Jianshe. NiP deposits and nonchromate pretreatment technology on magnesium alloy[J]. 吉林大学学报(工学版), 2006, 36(02): 148 -0152 .
[3] Wang Qing-nian,Ji Er-cong,Wang Wei-hua . Coordinated control for mode-switch of parallel hybrid electric vehicle[J]. 吉林大学学报(工学版), 2008, 38(01): 1 -006 .
[4] ZHAO Wen-hong1, WANG Wei1,2, WANG Yu-ping2, HAO Ming-qiang3 . ZHAO Wen-hong1, WANG Wei1,2, WANG Yu-ping2, HAO Ming-qiang3[J]. 吉林大学学报(工学版), 2008, 38(04): 865 -870 .
[5] Li Hong-ji, He Ran, Zhang Wan-xi, Sun Guo-en, Zhang Li, Niu Yong-sheng . Preparation and properties of nanoTiO2/EVA composites [J]. 吉林大学学报(工学版), 2006, 36(05): 710 -0714 .
[6] Fan Yong-kai;Lin Jun;Sun Tian-ze. Program generation mechanism based on module relationship match reasoning[J]. 吉林大学学报(工学版), 2006, 36(06): 939 -0944 .
[7] XIE Cheng-jun, LIU Tai-hui . Lossless hyper-spectral image compression algorithm based on mixing transform of SHIRCT, subtraction and CDF(2, 2) DWT[J]. 吉林大学学报(工学版), 2008, 38(04): 919 -923 .
[8] YAN Kangkang, GUO Wei, HU Ping. Springback Prediction and Control,Compensation Technique in Sheet Metal Forming Based on Stamping CAE Software KMAS[J]. 吉林大学学报(工学版), 2005, 35(04): 409 -414 .
[9] Liu Zhonghua,Cheng Xiusheng,Yang Haiqing,Chai Xiaolei,Liu Xingxing. Deformation and Energyabsorbtion Characteristics of Thinwall Straight Beam Under Central Collision[J]. 吉林大学学报(工学版), 2006, 36(01): 25 -0030 .
[10] WANG Jin-bo, ZHAO Guang-heng, CHEN Wei-wei . Software reliability growth model based on criticality partition of
functional profile for embedded software
[J]. 吉林大学学报(工学版), 2009, 39(02): 436 -0439 .